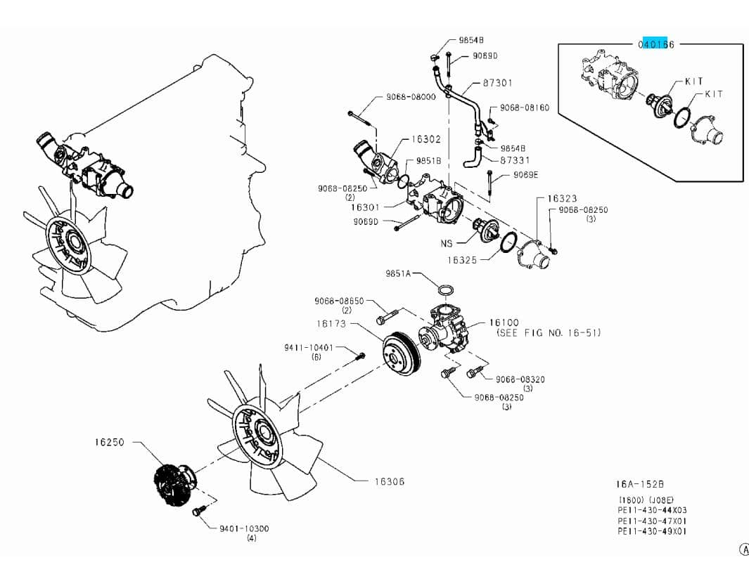
FAN CLUTCH ASSY FLUID L/FAN

$1,406.45

Core - $50
SKU: 16250E0030 Category: