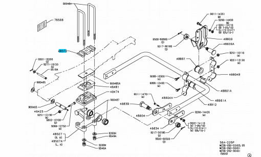
PIN – STABILIZER LINK

$85.98

SKU: S488391460 Category: